荣格工业资源APP
了解工业圈,从荣格工业资源APP开始。
全部
主编推荐
近期要闻
海外来风

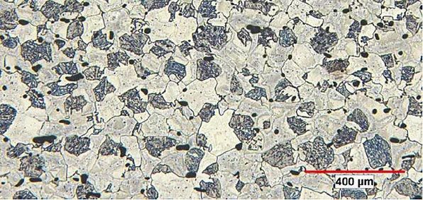
超越传统汽车材料DP600,新型低合金双相钢助力3D打印
新开发的金属粉末材料DPLA(双相低合金)和FSLA(自由烧结低合金)符合与DP600(HCT600X/C)类似的机械性能要求,例如更高的极限抗拉强度(UTS)和低屈服强度与UTS的比率,可分别用于激光粉末床熔融(LPBF)和粘结剂喷射(FSLA)——这两种是增材制造工艺的真正的世界首创。粉末原材料以及使用这些材料制造的零件可以立即供应。
2021-07-29 Ringier

重庆首款超快激光产品问世
近期,落户两江协同创新区的华东师范大学重庆研究院(以下简称“华师大重庆研究院”)成功研制出重庆第一款超快激光产品,并实现了小批量试产。
2021-07-29 封面新闻

销量、价格双提升,巴斯夫二季度业绩表现强劲
2021年第二季度销售额为198亿欧元,较去年同期增长71亿欧元。56% 的销售额增长主要得益于各个业务领域销量和价格的提升。表面处理技术业务领域、化学品业务领域和材料业务领域价格水平提升尤为明显。销量增长主要体现在表面处理业务领域、材料业务领域以及工业解决方案业务领域。不利的货币因素有一定的抵消作用。
2021-07-29 巴斯夫

高性能CT、MRI、PET医疗成像设备升级背后的模拟前端解读
如今市面上已有不少的医疗成像系统,尽管原理与技术不尽相同,但都是采用模拟数据采集前端进行信号调理,并将原始成像数据转换到数字域。这也就对其电子设计中的数据转换器的动态范围、分辨率、精度、线性度和噪声要求带来了最严苛的挑战。
2021-07-28 ADI

通过快速纳米传感器技术诊断防治传染病
要改变全世界对传染病的检测、诊断和监测,并开发一种能够快速得出准确、可靠结果的设备,需要做些什么?
2021-07-28 ADI

SDC国际巧克力展览会(SALON DU CHOCOLAT) 授权上海博华,即将亮相FHC2021
日前,上海博华国际展览有限公司从CHOCOLOCO INTERNATIONAL S.A.公司获得授权,从2022年开始独家在上海举办SDC国际巧克力(上海)展(SALON DU CHOCOLAT,SHANGHAI)。首届展会将于2022年11月8至10日正式进入中国市场,首展“落户”上海新国际博览中心,与FHC上海环球食品展同期同地举办。
2021-07-28 荣格食品饮料

赢创与联泰科技成立3D打印联合实验室
7月27日,全球领先的特种化学品公司赢创与中国联泰科技公司正式宣布在中国上海成立“联泰科技与赢创联合研发实验室”,并于近期举行了揭牌仪式。
2021-07-28 联泰科技

采集速度每秒2万帧,比利时研究人员用高像素相机精确监控L-PBF过程熔池变化
如今,在像飞机和医疗器械这样的高精密机械行业中,使用激光粉末床融合(L-PBF)技术制造金属零件变得愈加普遍。L-PBF允许直接从CAD模型生成非常复杂的几何形状。然而由于层工艺的性质,诸如孔隙率之类的缺陷会在组件生产过程中显现出来。
2021-07-28 Ringier

华工科技迎历史最佳半年报:营收46亿同比增长69% 主营业务全面爆发
7月27日晚,华工科技产业股份有限公司发布2021年半年度报告。报告显示,华工科技上半年营收46.39亿元,同比增长69.04%;归属于上市公司股东的净利润为3.49亿元,同比增长2.21%。
2021-07-28 OFWeek

先锋聚发,一路向新
克劳斯玛菲全新艾星™系列发泡机重磅发布
2021-07-28 克劳斯玛菲

共筑增材制造(3D打印)新前景,Formnext + PM South China 2021与你9月相聚深圳
首届Formnext+PM South China深圳国际增材制造、粉末冶金与先进陶瓷展览会将携业界知名展商于9月9至11日全新亮相深圳宝安新展馆,带来大湾区首屈一指的增材制造行业盛事。Formnext + PM South China2021深圳国际增材展,作为全球久负盛名的德国法兰克福Formnext增材展的品牌延伸,将延续母展Formnext多年积累的品牌精髓,为大湾区制造业带来全球前沿的增材制造技术和革命性的增材解决方案。
2021-07-28 网络

PREPERM™ 热塑性低损耗介电材料拓宽了埃万特 5G RF材料体系
这些高频介质材料可为天线、基站、谐振器、透镜、汽车雷达、互联网设备以及直接服务于终端用户的设备(例如路由器和调制解调器)提供更快、更可靠的连接。
2021-07-28 埃万特