供需大厅

登录/注册

公众号

更多资讯,关注微信公众号

小秘书

更多资讯,关注荣格小秘书

邮箱

您可以联系我们 info@ringiertrade.com

电话

您可以拨打热线

+86-21 6289-5533 x 269

建议或意见

+86-20 2885 5256

顶部

荣格工业资源APP

了解工业圈,从荣格工业资源APP开始。

打开
荣格工业-圣德科

GN 425.9——不锈钢折叠手柄

来源:荣格 发布时间:2018-09-03 244
智能制造
GN 425.9——不锈钢折叠手柄
 
型号
 
规格
 
类型
 
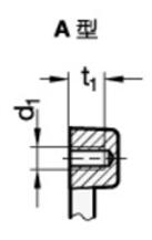
Type A: 使用背侧的螺纹孔安装固定
 
 
Type B: 使用正面的通孔安装螺钉固定
 
 
Type C: 从正面焊接固定
 
 
识别号
 
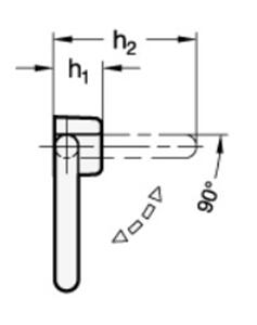
Type 1: 90°折叠手柄
 
 
Type 2: 90°折叠手柄,带保持弹簧
 
 
Type 3: 180°折叠手柄
 
 
Type 4: 180°折叠手柄,带保持弹簧
 
 
附件
 
精铸不锈钢
 
AISI CF-8 NI
 
亚光喷砂GS
 
 
喷塑涂层(仅A型和B型)
 
黑色,RAL 9005, 纹理饰面 SW
 
 
手柄
 
不锈钢
 
AISI 304
 
亚光喷砂饰面
 
保持弹簧
 
弹簧钢
 
AISI 301
 
信息
 
GN425.9不锈钢折叠手柄适用于拉手通常处于非工作状态,使用时外伸空间受限的场合
 
1型和2型折叠手柄最大开合角度为90度,因此适用于从侧向拉出手柄的场合。相应地,如果通常从上方拉伸手柄,应优先考虑开合角度高达180度的3型和4型折叠手柄
 
2型和4型折叠手柄的保持弹簧可使拉手停留在任意位置。这使得拉手被设置在一个易于操作的位置,同时确保拉手在非工作状态下不会因环境中的振动造成额外的噪音。
 
 
安装时应确保保持弹簧完全处于卡槽中,并确保拉手与保持弹簧配合到位。 所有部件发货时均未装配。
 
技术信息
 
不锈钢特性
 
鉴于其优异的耐腐蚀性,在机械工业中,不锈钢是许多行业最受追捧的材料之一。
 
ELESA + GANTER产品范围包括各种各样的特殊AISI不锈钢产品,遍及所有产品组。
 
包括全不锈钢制品及不锈钢和其他材质组合的产品,被广泛用于食品加工,化学和制药行业,恶劣的环境条件以及法律规定强制使用耐腐蚀材料的所有应用。
 
不同不锈钢材料的性能:
 
 
关于应用
 
手柄应用广泛,可使用在抽屉拉手上,节约空间。
 
 
装在侧面,可调整手柄角度。便于日常操作。
 
 
更多信息请登录www.elesa-ganter.com.cn
 
请联络您的当地销售工程师了解更多:
 
上海15121199387
 
江苏西13818825260
 
江苏东18019205173
 
浙江17721299696
 
京津冀 18121116657
 
山东18116355753
 
华南13761416102
 
辽吉黑13761438840
 
其他18101977172
 
www.elesa-ganter.com.cn
 
sales@elesa-ganter.com.cn
 
推荐新闻