供需大厅

登录/注册

公众号

更多资讯,关注微信公众号

小秘书

更多资讯,关注荣格小秘书

邮箱

您可以联系我们 info@ringiertrade.com

电话

您可以拨打热线

+86-21 6289-5533 x 269

建议或意见

+86-20 2885 5256

顶部

荣格工业资源APP

了解工业圈,从荣格工业资源APP开始。

打开
荣格工业-圣德科

GN 7237——蕴藏灵动 自如伸展 复合铰链开启角度180°

来源:荣格 发布时间:2018-08-17 262
智能制造
GN 7237不锈钢复合铰链安装在活板、舱盖及门的内侧,已节省空间并确保对蓄意破坏防护。铰链的最大开户角度为180°,提供了理想的可及性,并可避免诸如开启的门阻塞逃生通道等情况。
 
类型
 
L型: 左侧定角件
 
R型: 右侧定角件
 
不锈钢-NI:AISI 304
 
表面亚光滚磨处-MT
 
摩擦轴承
 
铜制
 
自润滑
 
信息
 
GN 7237不锈钢复合铰链安装在活板、舱盖及门的内侧,已节省空间并确保对蓄意破坏防护。铰链的最大开户角度为180°,提供了理想的可及性,并可避免诸如开启的门阻塞逃生通道等情况。
 
采用该铰链使得外露壳体免于附加与设计不符或为易于清洁,需要完全避免的附件。
 
不锈钢复合铰链通常成对使用,意味着每次开启需要一个L型和一个R型,对于更高的载荷,如来自大型舱盖,均可为两者提供额外附加铰链。
 
 
 
应用示例
 
 
可按需提供
 
✧ 其它开启角度
 
✧ 其它定角件
 
✧ 其它材质
 
✧ 其它表面处理
 
✧ 其它最大壁厚
 
✧ 其它升降运动
 
✧ 带气动弹簧连接
 
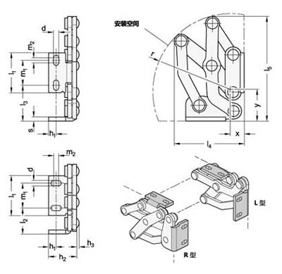
安装定位-中心点特征
 
不锈钢复合铰链既可通过槽孔安装在外壳上,也可安装在垂直于或平等于铰链轴线的定角件上。其产生的中心点特征如线描图所示。
 
 
调节与固定选项
 
 
不锈钢复合铰链安装时可调节三个平面。例如,允许调节扭矩或对密封条施加所需的压紧力。
 
可通过定角件内的平等或垂直槽孔调节两个平面,对于第三个平面,定位校正使用不锈钢间隔垫片 GN 2370。
 
带螺纹孔的不锈钢板GN 2372以及带螺杆的不锈钢板GN 2376也可用于固定铰链。后者可通过焊接或从外侧插入,穿过墙壁并固定到位。所有附件的设计使之也可配合定角件使用。
 
设计变量
 
可在活板、舱盖和门上进行插入、表面安装或斜接。最大壁厚及用于预设金属板结构的弯曲尺寸由各自的安装型号得出。
 
1. 定角件通过垂直于铰链轴线的槽孔安装在外壳上:
 
 
2. 通过平行于铰链轴线的槽孔将定角件安装在外壳上:
 
 
所示的设计变量代表标准安装条件。如果铰链的安装位置有所改变或者两个中的一个的壁厚尺寸较低,最大可及尺寸可单独地相互变化,这使得对比那些规定了相同尺寸的铰链,其更有可能应对一些具有更大壁厚的工况。
 
结构线描图显示边缘防护胶条和边缘防护密封胶条的标准应用场合。边缘保护密封胶条附着在门及固定的门框上。门的开启侧覆盖有边缘防护胶条。
 
 
载荷
 
承载能力
 
 
更多信息请登录 www.elesa-ganter.com.cn
 
请联络您的当地销售工程师了解更多:
 
上海 15121199387
 
江苏西 13818825260
 
江苏东 18019205173
 
浙江 17721299696
 
京津冀 18121116657
 
山东 18116355753
 
华南 13761416102
 
辽吉黑 13761438840
 
其他 18101977172
 
www.elesa-ganter.com.cn
 
sales@elesa-ganter.com.cn
 
推荐新闻