供需大厅

登录/注册

公众号

更多资讯,关注微信公众号

小秘书

更多资讯,关注荣格小秘书

邮箱

您可以联系我们 info@ringiertrade.com

电话

您可以拨打热线

+86-21 6289-5533 x 269

建议或意见

+86-20 2885 5256

顶部

荣格工业资源APP

了解工业圈,从荣格工业资源APP开始。

打开
荣格工业-圣德科

旋钮家族“星成员”

来源:荣格 发布时间:2018-08-10 276
智能制造
人体工学设计使得握持更加有效。旋钮外形的无空腔设计,可防止有害残留物淤积,确保其易于清洁。尤其适用于必须经常使用水枪或蒸汽清洗部件的机器和设备。
 
型号
 
主要规格:
 
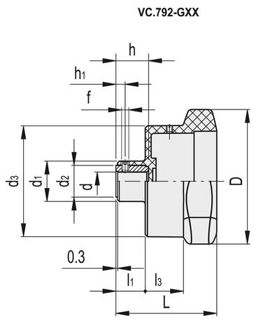
VC.792-GXX: 用于重力式指示器。
 
 
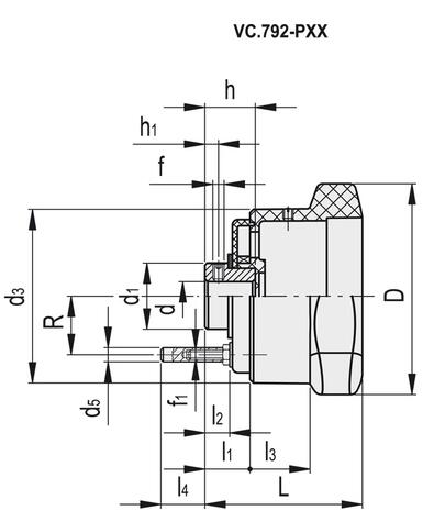
VC.792-PXX: 用于正驱动式指示器。
 
 
材料:
 
玻璃纤维加固聚酰胺基(PA)高科技聚合体,黑色,亚光饰面。
 
标准型号:
 
黑色氧化处理钢制轮毂,带H7铰孔,采用带内六角槽及UNI5929-85杯状端的埋头螺钉固定安装到轴上。
 
尾部法兰带有聚甲醛基(POM)高科技聚合体内置冠状齿轮。黑色氧化处理钢制锚销。
 
通用信息
 
特征及应用:
 
人体工学设计使得握持更加有效。旋钮外形的无空腔设计,可防止有害残留物淤积,确保其易于清洁。尤其适用于必须经常使用水枪或蒸汽清洗部件的机器和设备。
 
正驱动式指示器选择:
 
正驱动式指示器适用于处于任何位置的控制主轴。指示器运转在密封表壳内进行(图4)。含指示器的手轮/旋钮与控制主轴联接。在手轮/旋钮的后面,通过定位销(或类似零件)将带内部冠状齿轮(遮蔽式)的法兰固定到机架上。这样,手轮转动过程中,法兰与机器便可合为一体。手轮的转动带动行星小齿轮的转动,这样便可带动表壳内指示器一起运转。此时,转动通过齿轮装置传至两个指针,而由于刻度盘是通过定位销固定在机架上的,因此会保持静止。
 
 
装配说明:
 
✧ 在机架内钻孔,用于安装法兰的后定位销。
 
✧ 将控制主轴设为起始或基准位置。
 
✧ 拆下行星小齿轮的黑色保护帽,转动靠后的小齿轮,直至指针回到零位。 
 
✧ 拿起所选手轮/旋钮,将提供的定位销装在突出于尾部法兰的螺钉上。确保指示器行星小齿轮孔处于12点位置。转动尾部法兰,并根据机器上的钻孔确定定位销的位置。
 
✧ 将归零的指示器轻轻固定安装在手轮/旋钮中,将行星小齿轮平稳插入相应孔内。为使指示器的安装更加方便,应轻轻将尾部法兰转动一些角度,直至行星小齿轮与内部冠状齿轮拟合。检查指示器是否复零、定位销螺钉是否处于正确位置。
 
✧ 均匀拧紧横向埋头螺钉,以固定指示器壳,且力矩应适中,以免壳体变形,进而阻碍指针转动。
 
✧ 调节定位销高度,以避免过度拉紧法兰及拧紧锁紧螺母。
 
✧ 将带指示器的手轮联接至控制主轴。确定指示器指针是否处于零位、定位销是否与机器上的基准孔处于一条直线上。用销将手轮固定在主轴上。
 
✧ 检查指示器所有转动是否运行正常。
 
可按需提供的配件:
 
罩盖CP-XX用于不带指示器时。
 
 
按需提供的特殊型号:
 
带不锈钢毂的旋钮
 
应用:
 
食品机械上的应用
 
 
更多信息请登录www.elesa-ganter.com.cn
 
请联络您的当地销售工程师了解更多:
 
上海 15121199387
 
苏南 13818825260
 
苏北 18019205173
 
浙江 17721299696
 
京津冀 18121116657
 
山东 18116355753
 
华南 13761416102
 
辽吉黑 13761438840
 
其他 18101977172
 
www.elesa-ganter.com.cn
 
sales@elesa-ganter.com.cn
 
推荐新闻